
Miniature Bearings Australia
DS-6RS - Datasheet
MBA
Category Information
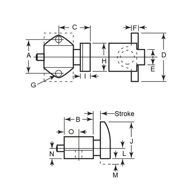
Stops - Spring - Flat Face - With TangWith Tang Flat Face Spring Stops. Flat faced with a tang prevents thin gauge material from sliding under plunger.
- Spring stops are used extensively in the locating of parts in jigs and fixtures, particularly where fixture walls are not available.
- Properly radiused nose for perfect fit with no wobble.
- Plunger is case hardened low carbon steel. Aluminium body.
Product Data
- Initial End Force : 1.02 Kg
- Final End Force 11.68 Kg
- Stroke
4.76
mm
(Equiv. 0.187 in.) - A 28.58 mm
- B 25.40 mm
- C 23.81 mm
- D 38.10 mm
- F 6.35 mm
- G 5.16 mm
- H 22.23 mm
- E / I / J / L / M / N / O 9.53 / 6.35 / 22.23 / 7.54 / 6.35 / 7.94 / 12.70 mm
- Base Style Rectangular
Product Compliance and Data
Additional Resources


